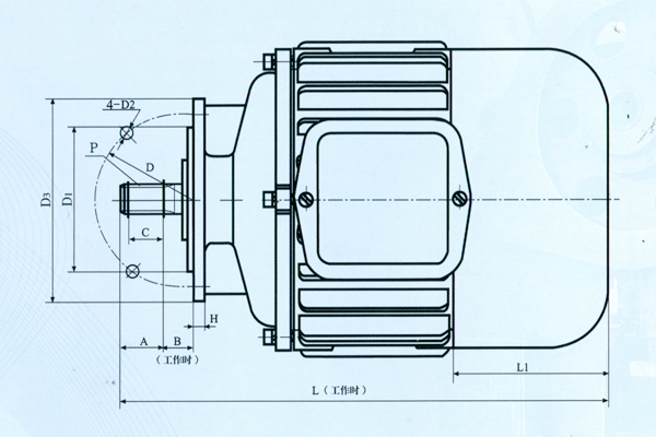
ZDY系列錐形轉子三相異步電動機,起動平穩,制動安全,且能與減速機配套,用于驅動起重機械及**率機械和其它需要制動平緩的傳動機械。 ZDY系列電動機采用380V電源,50Hz,基本工作制為S4,負載持續率25%,等效起動次數120次/小時。 ZDY系列電動機為封閉式結構,防護等級有IP44和IP54,冷卻方式為自冷式IC0141.絕緣等級有B級和F級兩種:
ZDY系列錐形轉子三相異步電動機,起動平穩,制動安全,且能與減速機配套,用于驅動起重機械及**率機械和其它需要制動平緩的傳動機械。
ZDY系列電動機采用380V電源,50Hz,基本工作制為S4,負載持續率25%,等效起動次數120次/小時。
ZDY系列電動機為封閉式結構,防護等級有IP44和IP54,冷卻方式為自冷式IC0141.絕緣等級有B級和F級兩種:









友情鏈接:大方起重 河南金地利電子衡器有限公司 河南黃河防爆起重機有限公司 龍門吊廠家 新型花生剝殼機 吸料天車 化工振動篩 氙燈耐氣候老化試驗箱